Korišćenje ZUDS u kolima sa frekventnim regulatorima
Sreda, 20 Januar, 2021 : 09:02 Saveti i pomoć
Korišćenje ZUDS(RCD) u kolima sa frekventnim regulatorima
Zaštitni uređaji diferencijalne struje ( ZUDS) , često kolokvijalno nazivani FID sklopkama koriste se u većini energetskih instalacija u cilju pružanja dodatne zaštite I bezbednosti čoveka. Većina zemalja, naročito na evropskom tržištu ima propisane stroge zahteve I standarde u vezi sa ugradnjom ove vrste zaštite. U industriji, RCD se koristi za zaštitu operatera na mašinama I postrojenjima od strujnog udara.
Pošto dosta mašina u industriji sebi sadrži standardni asinhroni ili sinhroni motor koji je pokretan frekventnim regulatorom, zaključak je da često u elektromotornim pogonima sa frekventnom regulacijom mora postojati zaštitni uređaj diferencijalne struje radi :
1) Kao što je već pomenuto, zaštite operatera na mašini
2) Zaštite od požara prouzrokovanog strujom curenja
Kada frekventni regulator pokreće motor, određena struja curenja je neibežna, bilo da se radi o niskofrekventnim strujama curenja koje potiču od EMC filtera integrisanog u frekventni regulator ili o visokofrekventnim strujama curenja kroz motor I kabl motora.
-Namena I funkcija ZUDS-a, princip rada
Osnovne namene ZUDS-a su :
-Zaštita ljudi I životinja od potencijalnog električnog udara
-Zaštita od požara izazvanog od struje curenja
Princip rada je jednostavan, suma svih struja koje prolaze kroz ZUDS mora biti 0, ukoliko zbir nije nula, očigledno postoji određena struja curenja. Ako je ona manja od definisanog praga diferencijalne struje konkretnog uređaja neće doći do reagovanja zaštite. U suprotnom, zaštita će reagovati I isključiti strujni krug. ZUDS se povezuje u energetsko kolo pre opreme na kojoj može doći do rizika od struje curenja. Provodnik uzemljenja se ne povezuje na ZUDS. Zaštitni uređaj diferencijalne struje nije istovremeno I zaštita od kratkog spoja I preopterećenja, tako da navedene zaštite treba izvesti nezavisno I u skladu sa standardima ( najčešće pomoću automatskih prekidača za manje snage I kompaktnih prekidača za veće snage).
Za zaštitu ljudi I životinja od potenicjalnog elektičnog udara, potreban je ZUDS koji može detektovati niskofrekventne struje I jednosmernu komponentu struje curenja, I u tom slučaju se obično bira ZUDS sa diferencijalnom strujom od 30mA. Visokofrekventne struje koje se mogu pojaviti u ovoj situaciji imaju manje bitnu ulogu zbog karakteristike ljudskog tela da ne provodi visokofrekventnu struju.
Što se tiče zaštite od požara, moraju se nadzirati I struje svih frekvencije (I visokih frekvencija) I tipično se na našem tržištu bira ZUDS sa pragom diferencijalne struje od 300mA.
-Podele
Svakako postoje jako bitne razlike između tipova ZUDS. Podelu najpre vršimo po tipu struje curenja koje ZUDS može detektovati. Klasični AC tip, može prepoznati samo naizmeničnu komponentu struje curenja( udarnu, spororastuću). A tip, najčešće primenjivan u industriji, prepoznaje I pulsirajuću jednosmernu struju curenja, isključivo komponentu koja prolazi ili dodiruje nulu, dok B tip ZUDS prepoznaje I glatku jednosmernu struju curenja, što je od velike važnosti za primenu u instalaciji pogona koji sadrži frekventni regulator. U skladu sa konkretnom aplikacijom I rizikom od pojave različitih tipova struja curenja treba izabrati određeni tip zaštitnog uređaja diferencijalne struje.
-Podela po vremenu reagovanja zaštite
U smislu podele po vremenu reagovanja zaštite, postoje ZUDS uređaji sa trenutnim reagovanjem I sa odloženim reagovanjem.
Npr. Schneider Electric u svojoj ponudi zaštitnih uređaja diferencijalne struje za industrijsku primenu Acti 9 iID obuhvata AC, A, B tipove ZUDS sa trenutnim reagovanjem I AC-SI, A-SI, B-SI sa odloženim reagovanjem(tzv.selektivnom zaštitom). Kod nekih uređaja, vreme odlaganja reagovanja je podesivo.
Zašto je to bitno?
Kod frekventnih regulatora sa integrisanim EMC filterom, kada se frekventni regulator priključi na napajanje ( ako duže vremena nije bio u funkciji), kondenzatori EMC filtera su skroz ispražnjeni. TOkom početnog punjenja kondenzatora, formira se put struje curenja prema zemlji. Ako se instalacija štiti ZUDS-om sa trenutnim reagovanjem, doći će do reagovanja zaštite I prekida električnog kola. Kako bismo takav scenario izbegli, biramo ZUDS sa odloženim reagovanjem, kako bismo dopustili početno punjenje kondenzatora. Ipak, vreme odlaganja ne bi trebalo biti veće od 10ms, kako u uslovima stvarnog kvara ne bi došlo do suviše kasnog reagovanja zaštite.
-Potencijalni problem sa motorom I kablom motora
Izlaz frekventnog regulatora ka motoru predstavlja signal dobijen impulsno-širinskom modulacjom ( PWM). Frekvencija modulacije je podesiva I obično se može postaviti u opsegu 4-32 kHz. Motor I motorni kabl imaju određenu kapacitivnost prema zemlji I formiraju svoj put curenja I predstavljaju celinu. Sa povećanjem dužine kabla između frekventnog regulatora I motora, kapacitivni efekat raste kao I gubici, posebno na višim učestanostima. Takođe, raste I struja curenja. Zaključak je da u aplikacijama, gde je zahtevano ugraditi ZUDS, treba predvideti što manju dužinu motornog kabla u cilju izbegavanja potencijalnih problema I reagovanja zaštitnog uređaja diferencijalne struje.
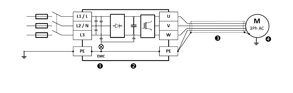
-Tipovi I uzroci struja curenja kod frekventnih pretvarača
Na sledećoj slici prikazana je topologija kola jednog frekventnog regulatora I motora :

Tokom normalnih uslova rada, kritične tačke za struje curenja su označene na slici gore I to :
1.Kondenzatori ulaznog EMC filtera – niskofrekventne AC struje curenja. EMC filter se može I diskonektovati.
2. Struje curenja u filteru koji je povezan sa jednosmernim međukolom. Ove struje mogu biti I AC I DC.
3.Motorni kabl se ponaša poput pločastog kondenzaotra. Curenje nastaje između faza, a I između faze I zemlje. Struja curenja može biti i naizmenična I jednosmerna. Kao što je već napomenuto, treba obratiti pažnju da motorni kabl bude što manje dužine. Obično proizvođači frekventnih regulatora definišu maksimalnu dužinu motornog kabla koja se može primeniti, a jedan od razloga su upravo struje curenja.
4.Motor
Sam motor ima kapacitivno curenje prema zemlji. Struje curenja mogu biti I AC I DC tipa, a pojedinosti zavise od kontrukcije motora
*Na šta još obratiti pažnju?
Asimetrija napona na ulaznim fazama može značajno uticati na rast struje curenja. Pri zatvaranju automatskih prekidača ili kompaktnih prekidača u tim uslovima može doći do reagovanja zaštite.
Na kraju- Kako odabrati odgovarajući ZUDS?
Pri odabiru odgovarajućeg zaštitnog uređaja diferencijalne struje, treba imati u vidu celu mašinu, uključujući frekventni regulator, motorni kabl i motor i razmotriti iz kog razloga primarno vršimo ugradnju ZUDS, da li je to zaštita operatera od napona dodira ili zaštita od požara.
Struje curenja koje se pojavljuju u sistemu celini napajanje-frekventni regulator-motorni kabl-motor su :
-AC struja mrežne učestanosti
-Glatka DC struja
-Pulsirajuća DC struja
-Visoko frekventne AC i DC struje
U slučaju da je potrebna samo zaštita od požara, treba detektovati sve vrste struja curenja, uključujući I visoko frekventne struje I ZUDS izabrati prema lokalnim propisima.
-Primer izabranog ZUDS-a za frekventni regulator snage 7.5kW u aplikaciji gde želimo zaštititi instalaciju od rizika požara I detektovati sve oblike struja curenja do kojih može doći.
U pitanju je Schneider Electric RCD Acti 9 iID serije, nominalne struje 25A, tip A-SI, koji može prepoznati niskofrekventne i visokofrekventne oblike struja curenja AC i DC, sa mogućnošću odlaganja reagovanja. I diferencijalnom strujom od 300mA.
Ako bi se ugradnja vršila u cilju zaštite operatera na mašini, bio bi izabran B-SI tip, koji može detektovati i glatku jednosmernu komponentu, a prag diferencijalne zaštite bi bio 30mA.
Sve tipove ZUDS-a proizvođača Schneider Electric koje redovno ugrađujemo mogu se naći :
https://www.ep-solutions.rs/zastitni-prekidaci-diferencijalne-struje-do-100a-acti-9-iid