Funkcija Bypass režima rada pumpe ili ventilatora – Invertek Optidrive Eco
Utorak, 13 Jul, 2021 : 14:26 Saveti i pomoć
Funkcija Bypass kontrole omogućava rad motora preko frekventnog regulatora kao i direktno pokretanje motora tj. povezivanje motora direktno na mrežu( direct on line). Za Bypass kontrolu potrebni su i eksterni elementi, koji nisu deo samog frekventnog regulatora Optidrive Eco. Ova funkcija je korisna i primenljiva u mnogim industrijskim pogonima pumpi, gde je u nekim periodima potreban rad pumpe direktno na mreži. Takođe funkcija Bypass režima rada skraćuje vreme zastoja pogona na minimalno.
Bypass funkciju je moguće pokrenuti na 3 načina :
-U slučaju greške u toku rada motora preko frekventnog regulatora-aktivira se relejni izlaz i prebacuje pogon motora direktno na mrežu
-U slučaju režima rada u slučaju požara (primena pretežno kod pogona ventilatora)
- Preko digitalnog ulaza
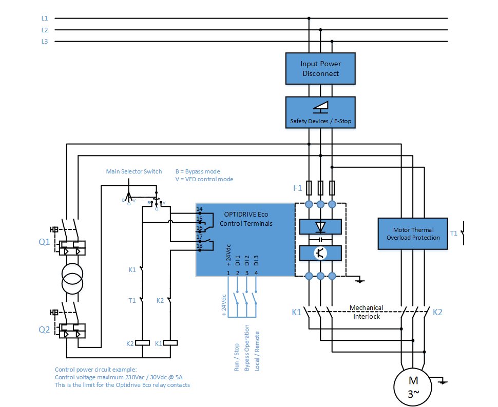
Preporučuje se izvedba sa 2 kontaktora koji poseduju električnu i mehaničku blokadu radi prevencije kvara.
-Pregled
Pregled najprostije konfiguracije bypass kontrole sa 2 kontaktora se nalazi na shemi na sledećoj strani. Postoji mehanička blokada kontaktora između frekventnog regulatora i motora (K1) i bypass kontaktora (K2). Takođe, preporučena je i električna blokada ( povezivanje pomoćnog kontakta kontaktora K1 u kolo kalema kontaktora K2).
Obratiti pažnju : Relejni izlazi su dimenzionisani za 250VAC, 30VDC, 5A i struje u kolu kalemova kontaktora ne smeju premašiti te vrednosti.

Glavni izborni prekidač može imati 3 stanja :
0- Oba kontaktora otvorena, motor ne radi
1- VFD kontaktor otvoren, Bypass kontaktor zatvoren, motor radi bypass DOL (direktno na mrežu)
2- VFD kontaktor zatvoren, Bypass kontaktor kontrolisan frekventnim regulatrom, rad motora je kontrolisan frekventnim regulatorom
Kada je položaj glavnog izbornog prekidača postavljen na režim rada kontrole frekventnim regulatorom , tada izbor kontaktora vrši VFD na osnovu konfiguracije koju je korisnik postavio u VFD. Tada rekventni regulator može kontrolisati VFD na osnovu podešavanja i uslova rada.
Dva kontrolna relejna izlaza frekventnog regulatora su automatski konfigurisana kada je aktiviran Bypass režim rada. Relej 1 je konfigurisan za bypass rad i povezan sa bypass kontaktorom K2 preko električne blokade (NC pomoćni kontakt kontaktora K1), dok je relej 2 ( terminali 17,18) konfigurisan za VFD kontrolu i povezan sa VFD izlaznim kontaktorom K1 (preko električne blokade).
U normalnim uslovima i okolnostima, relejni izlaz 2 se zatvara, nakon toga kontaktor K2 i onda je rad motora kontrolisan frekventnim regulatorom, brzina motora je uslovljena referencom konfigurisanom u frekventnom regulatoru.
Frekventni regulator će promeniti način kontrole i isključiti VFD kontaktor i uključiti Bypass kontaktor ukoliko je aktivirana jedna od funkcija Bypass kontrole :
-Bypass usled greške u radu preko VFD – VFD će prebaciti na Bypass režim rada u slučaju pojave greške na frekventnom regulatoru.
-Bypass u slučaju požarnog režima rada – VFD će prebaciti na Bypass režim rada u slučaju promene stanja na digitalnom ulazu koji je namenjen za požarni režim rada.
-Bypass aktiviran preko digitalnog ulaza – VFD će prebaciti na Bypass režim rada u slučaju promene stanja na digitalnom ulazu koji je namenjen bypass kontroli ( podešavanje digitalnog ulaza kroz grupu parametara 9).
U narednom delu, posvetićemo pažnju svakoj od ove 3 mogućnosti aktiviranja bypass kontrole.
1) Aktivacija Bypass režima rada usled greške na frekventnom regulatoru (Bypass on fault)
Izuzetno korisna funkcija za sisteme gde je potrebno obezbediti stalni rad sistema sa minimalnim vremenom zastoja. Bypass režim rada usled greške na frekventnom regulatoru omogućava se kroz parametar P8-11 ( P8-11=1). Prilikom pojave greške, VFD odmah onemogućava kontaktor K1 ( mada je rad frekventnog regulatora svakako onemogućen zbog greške na njemu) i nakon vremena definisanog u parametru P8-13, zatvara Bypass kontaktor K2. Sistem će ostati u Bypass režimu rada sve dok je prisutan digitalni ulaz za omogućavanje rada( na terminalu 2) . Ako se kontakt na terminalu 2 otvori i ponovo zatvori, VFD će prvo pokušati da pokrene sistem u VFD standardnom režimu rada.
Napomena je da parametar „letećeg starta“ ili često nazivan kao start sa praćenjem brzine P2-26 mora biti omogućen.
2) Aktivacija Bypass režima rada u slučaju požara ( Bypass on fire mode)
Funkcija koja se pretežno koristi u sistemima gde postoji opasnost od požara i gde motor u slučaju požara mora raditi punom brzinom i snagom ( direktno na mrežu). Omogućavanje ove opcije vrši se kroz parametar P8-12=1. Konfiguracija samog požarnog režima rada se vrši u grupi 2 parametara. Dalje, konfiguracija digitalnog ulaza koji je namenjen požarnom režimu rada, pristupa se parametru P9-32. Kada je digitalni ulaz za požarni režim rada aktivan, VFD kontaktor se otvara , Bypass kontaktor se zatvara nakon određenog vremena unetog u P8-13. Kada input za požarni režim rada više nije aktivan, Bypass kontaktor se otvara, a kontaktor između frekventnog regulatora i motora se zatvara i sistem nastavlja raditi u normalnom režimu preko frekventnog regulatora.
Napomena je da parametar „letećeg starta“ ili često nazivan kao start sa praćenjem brzine P2-26 mora biti omogućen.
3) Aktivacija Bypass režima rada pomoću digitalnog ulaza ( Bypass on digital input)
Ovo je takozvana opcija ručne aktivacije Bypass režima rada i omogućava se na način tako što kroz P9-43 izaberemo jedan od slobodnih digitalnih ulaza i dodeli mu namenu aktivacije Bypass režima rada.
U svakoj opciji Bypass aktivacije postoji vreme odlaganja zatvaranja drugog kontaktora posle otvaranja prvog, radi sigurnosti. ( Ovaj vremenski interval se unosi u parametru P8-13) Takođe, obavezne su električna i mehanička blokada.
Frekventni regulator Invertek Optidrive Eco će u slučaju aktivacije Bypass režima, ispisati na svom OLED ekranu „Bypass mode“ :
.png)
Bypass funkciju je moguće pokrenuti na 3 načina :
-U slučaju greške u toku rada motora preko frekventnog regulatora-aktivira se relejni izlaz i prebacuje pogon motora direktno na mrežu
-U slučaju režima rada u slučaju požara (primena pretežno kod pogona ventilatora)
- Preko digitalnog ulaza
Preporučuje se izvedba sa 2 kontaktora koji poseduju električnu i mehaničku blokadu radi prevencije kvara.
-Pregled
Pregled najprostije konfiguracije bypass kontrole sa 2 kontaktora se nalazi na shemi na sledećoj strani. Postoji mehanička blokada kontaktora između frekventnog regulatora i motora (K1) i bypass kontaktora (K2). Takođe, preporučena je i električna blokada ( povezivanje pomoćnog kontakta kontaktora K1 u kolo kalema kontaktora K2).
Obratiti pažnju : Relejni izlazi su dimenzionisani za 250VAC, 30VDC, 5A i struje u kolu kalemova kontaktora ne smeju premašiti te vrednosti.

Glavni izborni prekidač može imati 3 stanja :
0- Oba kontaktora otvorena, motor ne radi
1- VFD kontaktor otvoren, Bypass kontaktor zatvoren, motor radi bypass DOL (direktno na mrežu)
2- VFD kontaktor zatvoren, Bypass kontaktor kontrolisan frekventnim regulatrom, rad motora je kontrolisan frekventnim regulatorom
Kada je položaj glavnog izbornog prekidača postavljen na režim rada kontrole frekventnim regulatorom , tada izbor kontaktora vrši VFD na osnovu konfiguracije koju je korisnik postavio u VFD. Tada rekventni regulator može kontrolisati VFD na osnovu podešavanja i uslova rada.
Dva kontrolna relejna izlaza frekventnog regulatora su automatski konfigurisana kada je aktiviran Bypass režim rada. Relej 1 je konfigurisan za bypass rad i povezan sa bypass kontaktorom K2 preko električne blokade (NC pomoćni kontakt kontaktora K1), dok je relej 2 ( terminali 17,18) konfigurisan za VFD kontrolu i povezan sa VFD izlaznim kontaktorom K1 (preko električne blokade).
U normalnim uslovima i okolnostima, relejni izlaz 2 se zatvara, nakon toga kontaktor K2 i onda je rad motora kontrolisan frekventnim regulatorom, brzina motora je uslovljena referencom konfigurisanom u frekventnom regulatoru.
Frekventni regulator će promeniti način kontrole i isključiti VFD kontaktor i uključiti Bypass kontaktor ukoliko je aktivirana jedna od funkcija Bypass kontrole :
-Bypass usled greške u radu preko VFD – VFD će prebaciti na Bypass režim rada u slučaju pojave greške na frekventnom regulatoru.
-Bypass u slučaju požarnog režima rada – VFD će prebaciti na Bypass režim rada u slučaju promene stanja na digitalnom ulazu koji je namenjen za požarni režim rada.
-Bypass aktiviran preko digitalnog ulaza – VFD će prebaciti na Bypass režim rada u slučaju promene stanja na digitalnom ulazu koji je namenjen bypass kontroli ( podešavanje digitalnog ulaza kroz grupu parametara 9).
U narednom delu, posvetićemo pažnju svakoj od ove 3 mogućnosti aktiviranja bypass kontrole.
1) Aktivacija Bypass režima rada usled greške na frekventnom regulatoru (Bypass on fault)
Izuzetno korisna funkcija za sisteme gde je potrebno obezbediti stalni rad sistema sa minimalnim vremenom zastoja. Bypass režim rada usled greške na frekventnom regulatoru omogućava se kroz parametar P8-11 ( P8-11=1). Prilikom pojave greške, VFD odmah onemogućava kontaktor K1 ( mada je rad frekventnog regulatora svakako onemogućen zbog greške na njemu) i nakon vremena definisanog u parametru P8-13, zatvara Bypass kontaktor K2. Sistem će ostati u Bypass režimu rada sve dok je prisutan digitalni ulaz za omogućavanje rada( na terminalu 2) . Ako se kontakt na terminalu 2 otvori i ponovo zatvori, VFD će prvo pokušati da pokrene sistem u VFD standardnom režimu rada.
Napomena je da parametar „letećeg starta“ ili često nazivan kao start sa praćenjem brzine P2-26 mora biti omogućen.
2) Aktivacija Bypass režima rada u slučaju požara ( Bypass on fire mode)
Funkcija koja se pretežno koristi u sistemima gde postoji opasnost od požara i gde motor u slučaju požara mora raditi punom brzinom i snagom ( direktno na mrežu). Omogućavanje ove opcije vrši se kroz parametar P8-12=1. Konfiguracija samog požarnog režima rada se vrši u grupi 2 parametara. Dalje, konfiguracija digitalnog ulaza koji je namenjen požarnom režimu rada, pristupa se parametru P9-32. Kada je digitalni ulaz za požarni režim rada aktivan, VFD kontaktor se otvara , Bypass kontaktor se zatvara nakon određenog vremena unetog u P8-13. Kada input za požarni režim rada više nije aktivan, Bypass kontaktor se otvara, a kontaktor između frekventnog regulatora i motora se zatvara i sistem nastavlja raditi u normalnom režimu preko frekventnog regulatora.
Napomena je da parametar „letećeg starta“ ili često nazivan kao start sa praćenjem brzine P2-26 mora biti omogućen.
3) Aktivacija Bypass režima rada pomoću digitalnog ulaza ( Bypass on digital input)
Ovo je takozvana opcija ručne aktivacije Bypass režima rada i omogućava se na način tako što kroz P9-43 izaberemo jedan od slobodnih digitalnih ulaza i dodeli mu namenu aktivacije Bypass režima rada.
U svakoj opciji Bypass aktivacije postoji vreme odlaganja zatvaranja drugog kontaktora posle otvaranja prvog, radi sigurnosti. ( Ovaj vremenski interval se unosi u parametru P8-13) Takođe, obavezne su električna i mehanička blokada.
Frekventni regulator Invertek Optidrive Eco će u slučaju aktivacije Bypass režima, ispisati na svom OLED ekranu „Bypass mode“ :
.png)