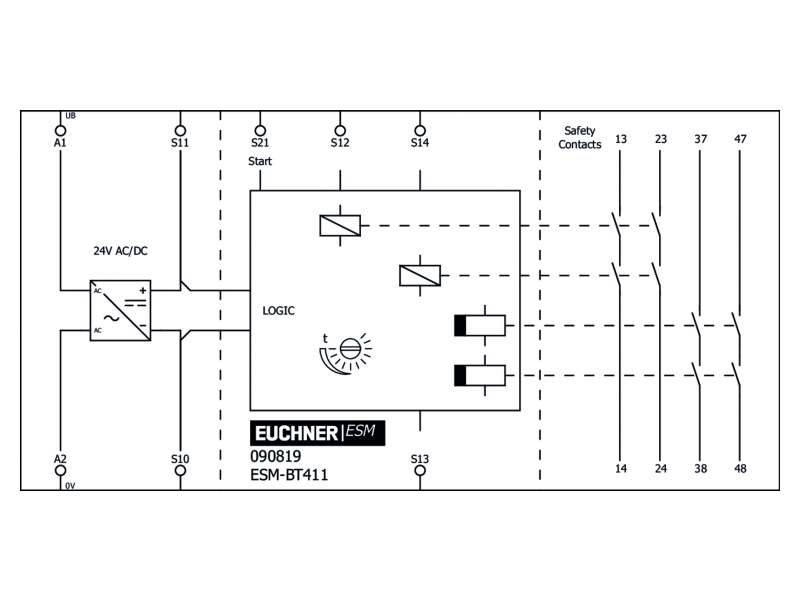
EUCHNER Safety Relay ESM-BT411 ; 090819
Basic device ESM-BT.., 4 safety contacts, time-delay, cat. 4 Usage up to category 4 according to EN ISO 13849-1 LED status indicators 1-channel or 2-channel control...
Cena na upit
Basic device ESM-BT.., 4 safety contacts, time-delay, cat. 4
- Usage up to category 4 according to EN ISO 13849-1
- LED status indicators
- 1-channel or 2-channel control
- 4 redundant safety contacts of which 2 contacts time-delayed
- Delay time-range 1 s - 30 s
- Short circuit and earth fault/ground fault monitoring
- 24 V DC for ESM-BT411
Approvals



Mechanical values and environment
| Housing material | Polyamide PA6.6 |
| Weight | |
| Net | 0,25 kg |
| Ambient temperature | -15 ... 40 °C |
| Degree of protection | IP20 |
| Mechanical life | |
| operating cycles | 10 x 106 |
| Contact material | AgSnO2 |
| Mounting method | Mounting rail 35mm according to DIN EN 60715 TH35 |
| Connection | Connection terminals |
| Length of control cable | |
| With conductor cross-section 0.75mm2 | 1000 m |
| Safety contacts 13/14, 23/24, 37/38, 47/48 | |
| Number of NO contacts | 4 |
Electrical connection ratings
| Operating voltage | |
| AC/DC | 24 V -10% ... +10% |
| Power consumption (apparent power) | |
| At 24V AC | 5,3 VA |
| Rated insulation voltage Ui | 250 V |
| Rated impulse withstand voltage Uimp | |
| Leakage path/air gaps | 4 kV |
| Overvoltage category according to IEC EN 60664-1 | 3 |
| Reverse polarity protection | |
| On version UB =24V DC | |
| Rated supply frequency | 50 ... 60 Hz |
| Power consumption | |
| at 24V DC | 4,7 W |
| Degree of contamination (external, according to EN 60947-1) | 2 |
| Connection cross-section | 0,14 ... 2,5 mm² Connection terminal (size) |
| Test voltage | |
| Control system/contacts | 2,5 kV |
| Control voltage | |
| On S11 | 24 V 18,6 ... 26 V Start button |
| Control current | 190 mA |
| Drop-out delay | max.20 ms Emergency stop |
| LED indicator | 4 status displays (green) for relays K1, K2, K3, K4 |
| Safety contacts 13/14, 23/24, 37/38, 47/48 | |
| Type of output | |
| NO | Relay contacts floating and positively driven (redundant) |
| Switching voltage | |
| AC | max.250 V |
| DC | max.24 V |
| Switching current | min.5 mA at 24V |
| Cumulative current | max.15 A For all contacts |
| Fusing | |
| External contact fuses (safety circuit) according to IEC 60269-1 | 10A gG |
| Utilization category according to EN 60947-5-1 | |
| AC-15 | 3A, 250V |
| DC-13 | 3A, 24V |
| AC-12 | 8A ohmic load, 250V |
| DC-12 | 8A ohm resistive load, 40V |
| Breaking capacity according to UL | 8A 250V AC / 3A 24V DC per contact |
| Switching characteristics | 2 safety contacts non-delayed, 2 safety contacts time-delayed |
| Delay time | |
| Continuously adjustable | 1 ... 30 s |
Other
| In compliance with | EN ISO 13849-1: 2015; EN 62061: 2005 + AC: 2010 + A1: 2013 + A2: 2015; EN 50581: 2012 (RoHS) |
Reliability values according to EN ISO 13849-1
| Performance Level | PL e |
| Category | |
| Safety contacts time-delay | 3 |
| Safety contacts non-time-delay | 4 |
| PFHD | |
| Safety contacts time-delay | 8.84 x 10-8 |
| Safety contacts non-time-delay | 4.22 x 10-8 |
| Number of switching cycles | |
| ≤ 0.1 A at 24 V DC | max.500000 1/Jahr |
| ≤ 1 A at 24 V DC | max.350000 1/Jahr |
| ≤ 2 A at 24 V DC | max.100000 1/Jahr |
| Mission time | 20 y |
Slicni proizvodi:
EUCHNER Safety Relay ESM-BL201 ; 085607
Basic device ESM-BL.., 2 safety contacts, cat. 3 Usage up to category 3 according to EN ISO 13849-1 LED status indicators 1-channel or 2-channel control 2 redundant
-

(Trenutno nema na stanju)
Cena na upit
EUCHNER Safety Relay ESM-BA201P ; 097226
Basic device ESM-BA2.., 2 safety contacts, cat. 4 ESM-BA.. Usage up to category 4 according to EN ISO 13849-1 LED status indicators 1-channel or 2-channel control
-

(Trenutno nema na stanju)
Cena na upit
EUCHNER Safety Relay ESM-2H201 ; 085620
Safety relay ESM-2H.. ,Type IIIc evaluation unit for two-hand control Usage up to category 4 according to EN ISO 13849-1 Requirement level IIIC according to EN 574
-

(Trenutno nema na stanju)
Cena na upit
EUCHNER Safety Relay ESM-BT421-50S ; 090094
Basic device ESM-BT.., 4 safety contacts, time-delay, cat. 4 Usage up to category 4 according to EN ISO 13849-1 LED status indicators 1-channel or 2-channel control
-

(Trenutno nema na stanju)
Cena na upit
EUCHNER Safety Relay ESM-BT421 ; 090820
Basic device ESM-BT.., 4 safety contacts, time-delay, cat. 4 Usage up to category 4 according to EN ISO 13849-1 LED status indicators 1-channel or 2-channel control
-

(Trenutno nema na stanju)
Cena na upit
EUCHNER Safety Relay ESM-BT401 ; 090818
Basic device ESM-BT.., 4 safety contacts, time-delay, cat. 4 Usage up to category 4 according to EN ISO 13849-1 LED status indicators 1-channel or 2-channel control
-

(Trenutno nema na stanju)
Cena na upit