EUCHNER Evaluation unit CMS-E-AR ; 085537
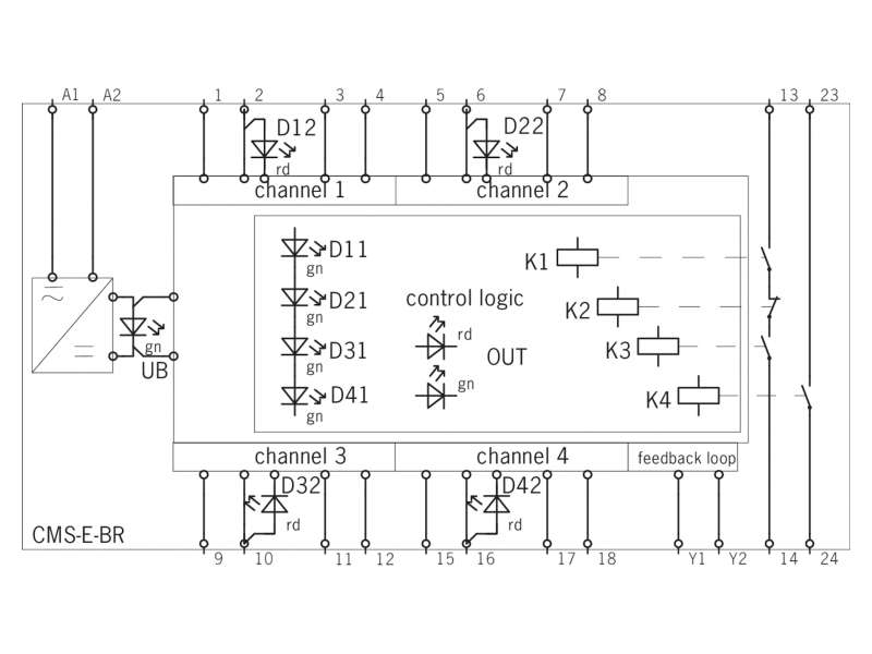
Evaluation unit CMS-E-BR, 1 safety contact, 1 auxiliary contact, 1 feedback loop can be connected.. Four read heads can be connected 1 safety contact 1 auxiliary...
Price on request
Evaluation unit CMS-E-BR, 1 safety contact, 1 auxiliary contact, 1 feedback loop can be connected..
- Four read heads can be connected
- 1 safety contact
- 1 auxiliary contact
- 1 feedback loop can be connected
Approvals


Mechanical values and environment
| Housing material | Polycarbonate (PC) |
| Weight | |
| Net | 0,24 kg |
| Ambient temperature | 0 ... 50 °C |
| Degree of protection | Terminals IP20 / housing IP40 |
| Mechanical life | 30 x 106 |
| Mounting method | Mounting rail 35mm according to DIN EN 60715 TH35 |
| Number of read heads | Up to 4 read heads |
| Connection | Connection terminals, plug-in |
| Safety contacts 13/14 | |
| Number of safety contacts | 1 |
| Auxiliary contacts 23/24 | |
| Number of auxiliary contacts | 1 |
Electrical connection ratings
| Operating voltage | |
| AC/DC | 24 V -10% ... +10% |
| Fusing | |
| Protection internal (operating voltage UB) | 0,5 A Automatically resetting fuse PTC |
| Rated insulation voltage Ui | |
| AC | 250 V |
| Degree of contamination (external, according to EN 60947-1) | 2 |
| Connection cross-section | 0,14 ... 2,5 mm² |
| LED indicator | 1 indicator LED Power (UB) green 1 LED safety output (OUT green/red) 8 LED status indicators (Dx1 / Dx2 /green/ red) |
| Safety contacts 13/14 | |
| Type of output | Relay contacts, floating |
| Current consumption | 250 mA |
| Switching voltage | |
| AC | max.250 V |
| Switching current | |
| at DC 24V | 13 ... 3000 mA |
| Fusing | |
| External contact fuse (safety circuit) acc. to EN IEC 60269-1 | 3A gG |
| Utilization category according to EN 60947-4-1 | |
| Utilization category according to EN 60947-5-1 | |
| AC-15 | 1A , 250V ; 1A 24V |
| DC-13 | 3A , 24V |
| Switching load | |
| Switching load acc. to UL Class 2 | Input: 24V AC/DC : Output: 30V AC , 24V DC |
| Breaking capacity (VA) | max.750 VA |
| Risk time according to EN 60947-5-3 | 20 ms |
| Auxiliary contacts 23/24 | |
| Type of output | Relay contact, floating |
Other
| In compliance with | EN ISO 13849-1: 2015; EN 50178: 1997; EN ISO 14119: 2013; EN 6100-6-3: 2007; EN 60947-5-2: 2007/A1: 2012; EN 60947-5-3: 2013 |
Reliability values according to EN ISO 13849-1
| Monitoring of the safety guard position | |
| Category | |
| With one read head | 4 |
| With more than one read head | 3 |
| Performance Level | |
| With one read head | PL e |
| With more than one read head | PL d |
| PFHD | |
| With one read head | 2.5 x 10-8 |
| With more than one read head | 1.0 x 10-7 |
| Number of switching cycles | |
| ≤ 0.1A at 24V DC | max.100000 1/Jahr |
| ≤ 1A at 24V DC | max.18500 1/Jahr |
| ≤ 3A at 24V DC | max.9000 1/Jahr |
| Mission time | 20 y |
In combination with Read head CMS-R-AXH-03V, CMS-R-AXH-SC and Actuator CMS-M-AC
Operating distance
| Center offset | |
| At s=3 mm read distance | 2,5 mm |
| Assured switch-off distance Sar | max.31 mm |
| Assured operating distance Sao | |
| With center offset m=0 | min.6 mm |
In combination with Read head CMS-R-BXI-03V, CMS-R-BXI-05V, CMS-R-BXI-SC, CMS-R-BXI-07P and Actuator CMS-M-BD
Operating distance
| Center offset | |
| At s=3 mm read distance | 2,5 mm |
| Assured switch-off distance Sar | max.12 mm |
| Assured operating distance Sao | |
| With center offset m=0 | min.3 mm |
In combination with Read head CMS-R-CXC-03V, CMS-R-CXC-05V, CMS-R-CXC-05P, CMS-R-CXC-SC and Actuator CMS-M-CA
Operating distance
| Center offset | |
| At s=3 mm read distance | 2,5 mm |
| Assured switch-off distance Sar | max.14 mm |
| Assured operating distance Sao | |
| With center offset m=0 | min.6 mm |
In combination with Read head CMS-R-EXM-03V, CMS-R-EXM-05V, CMS-R-EXM-SC and Actuator CMS-M-EF
Operating distance
| Center offset | |
| At s=3 mm read distance | 2,5 mm |
| Assured switch-off distance Sar | max.17 mm |
| Assured operating distance Sao | |
| With center offset m=0 | min.6 mm |
Similar products:
EUCHNER Evaluation unit CMS-E-AR ; 085536
Evaluation unit CMS-E-AR, 1 safety contact Magnetically coded safety switches are interlocking devices that are designed to protect people and machines. Compared
-

(Out of stock)
Price on request
EUCHNER Evaluation unit CMS-E-AR ; 099182
Evaluation unit CMS-E-ER, 2 safety contacts, 1 auxiliary contact, 1 feedback loop can be connected.. Up to 30 read heads can be connected 2 safety contacts 1 auxiliary
-

(Out of stock)
Price on request
EUCHNER Evaluation unit CMS-E-AR ; 099258
Evaluation unit CMS-E-FR, 2 safety contacts, 1 auxiliary contact, 6 monitoring outputs, 1 feedback loop can be connected.. Up to 30 read heads can be connected 2
-

(Out of stock)
Price on request
EUCHNER Read Heads CMS ; CMS-R-EXN-05V ; 085744
Read heads CMS design E - with NO contact combinations, PVC.. In combination with evaluation units CMS-E-AR Cylindrical version M30 Connection cable Cable type:
-

(Out of stock)
Price on request
EUCHNER Evaluation unit CMS-E-AR ; 099258
Evaluation unit CMS-E-FR, 2 safety contacts, 1 auxiliary contact, 6 monitoring outputs, 1 feedback loop can be connected.. Up to 30 read heads can be connected 2
-

(Out of stock)
Price on request